Inductive Sensor Npn Vs Pnp

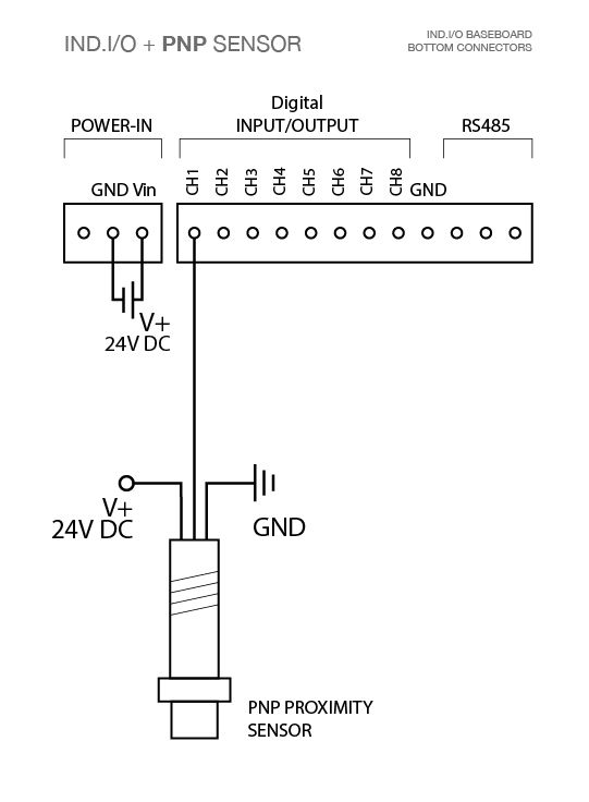
Pnp And Npn Sensors Industruino

Pnp And Npn Sensors Industruino

How To Connect Npn Pnp Proximity Sensor To Plc Ato Com

How To Connect Npn Pnp Proximity Sensor To Plc Ato Com

Sensing Technologies Rs Components

Sensing Technologies Rs Components


Sensing Technologies Rs Components
Details About 10mm 25mm Capactive Proximity Switch Inductive Sensor Npn Pnp No Nc Dc6 36v 2pin

Details About 10mm 25mm Capactive Proximity Switch Inductive Sensor Npn Pnp No Nc Dc6 36v 2pin

How To Wire Discrete Dc Sensors To Plc Part 2 Plc

How To Wire Discrete Dc Sensors To Plc Part 2 Plc

Transistor Tutorial About Bipolar And Fet Transistors

Transistor Tutorial About Bipolar And Fet Transistors

How To Connect Npn And Pnp Sensors

How To Connect Npn And Pnp Sensors

How To Identify Sensor Pnp Or Npn Ii Pnp And Npn Sensor With Example

How To Identify Sensor Pnp Or Npn Ii Pnp And Npn Sensor With Example

How To Decide Between Pnp And Npn

How To Decide Between Pnp And Npn

Safety Sensor Use Pnp Output Instead Of Npn Output Faq

Safety Sensor Use Pnp Output Instead Of Npn Output Faq

Working Of Transistor As A Switch Npn And Pnp Transistors

Working Of Transistor As A Switch Npn And Pnp Transistors

Npn Vs Pnp Proximity Switch Stlfinder

Npn Vs Pnp Proximity Switch Stlfinder

Npn Vs Pnp What S The Difference Arrow Com

Npn Vs Pnp What S The Difference Arrow Com

Auto Bed Leveling Circuitry For Pnp As Opposed To Npn

Auto Bed Leveling Circuitry For Pnp As Opposed To Npn

How To Build An Npn Inductive Proximity Sensor Circuit

How To Build An Npn Inductive Proximity Sensor Circuit

Comments